首页
关于我们
公司简介
企业文化
新闻中心
公司动态
行业新闻
产品中心
超声波淬火硬化层深度测量仪
布氏硬度计
维氏硬度计
显微硬度计
洛氏硬度计
布洛维硬度计系列
里氏硬度计
超声波探伤仪
涂层测厚仪
粗糙度仪
超声波测厚仪
磁粉探伤仪
倒置金相显微镜
现场金相显微镜
超声波硬度计
防腐蚀层电火花检漏仪
X射线探伤仪
钢丝绳探伤仪
日立243涂层测厚紧固件专用
邵氏硬度计
其他
自动化超声波探伤系统
轶诺硬度计
进口测厚仪
台式硬度计
金相试样切割机
金相试样镶嵌机
金相试样磨抛机
金相设备
现场快速硬度计
端淬硬度计
塞恩普司分析仪器
行业分类
汽摩及零部件
特种设备
环保与土壤修复
考古和地矿
电力行业
轨道交通
石油与化工
贵金属
建筑与桥梁
铸造行业
电镀与喷涂
质检
工具与模具
造船行业
高校科研与理化实验室
工程案例
硬度计案例
探伤仪案例
粗糙度仪案例
涂镀层测厚仪案例
超声波测厚仪案例
经典案例
光谱仪案例
现场快速硬度计案例
端淬硬度计案例
淬火硬化层深度测量仪案例
显微镜使用案例
技术文章
下载中心
联系我们
联系我们
导航
首页
关于我们
公司简介
企业文化
新闻中心
公司动态
行业新闻
产品中心
超声波淬火硬化层深度测量仪
布氏硬度计
维氏硬度计
显微硬度计
洛氏硬度计
布洛维硬度计系列
里氏硬度计
超声波探伤仪
涂层测厚仪
粗糙度仪
超声波测厚仪
磁粉探伤仪
倒置金相显微镜
现场金相显微镜
超声波硬度计
防腐蚀层电火花检漏仪
X射线探伤仪
钢丝绳探伤仪
日立243涂层测厚紧固件专用
邵氏硬度计
其他
自动化超声波探伤系统
轶诺硬度计
进口测厚仪
台式硬度计
金相试样切割机
金相试样镶嵌机
金相试样磨抛机
金相设备
现场快速硬度计
端淬硬度计
塞恩普司分析仪器
销售网络
汽摩及零部件
特种设备
环保与土壤修复
考古和地矿
电力行业
轨道交通
石油与化工
贵金属
建筑与桥梁
铸造行业
电镀与喷涂
质检
工具与模具
造船行业
高校科研与理化实验室
工程案例
硬度计案例
探伤仪案例
粗糙度仪案例
涂镀层测厚仪案例
超声波测厚仪案例
经典案例
光谱仪案例
现场快速硬度计案例
端淬硬度计案例
淬火硬化层深度测量仪案例
显微镜使用案例
专业技术文章
下载中心
联系我们
联系我们
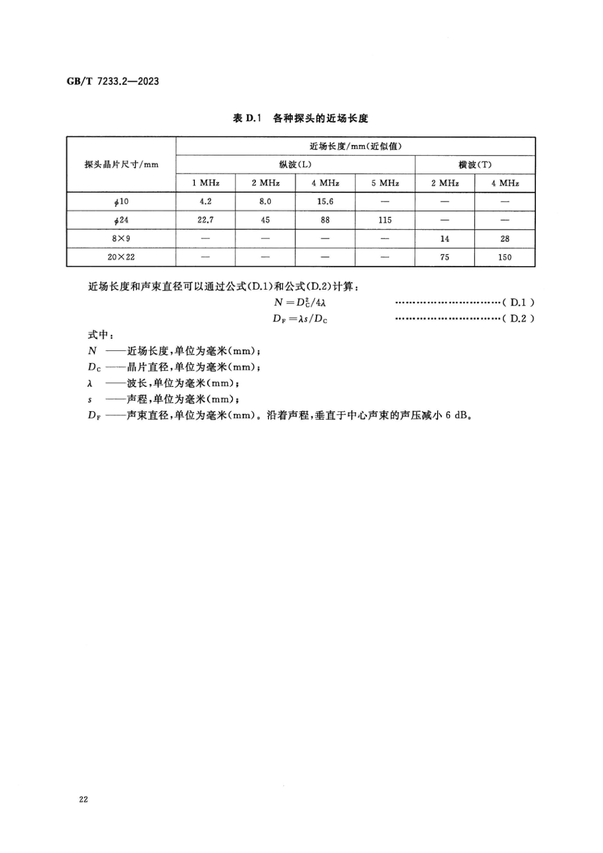
GBT 7233.2-2023 铸钢件 超声检测 第2部分:高承压铸钢件
发布时间:
2025/11/21
分享到:
Copyright © 重庆里博仪器有限公司 版权所有 备案号:
渝ICP备16013070号-3
渝公网安备 50010902001682号
里博地图
加盟咨询
价格咨询
关闭